產品資訊
- 機械臂專區
-
步進馬達/驅動器
-
❖ 二相步進-系列
- ▌二相步進馬達
-
▌二相微步進驅動器
-
✚ 直流 驅動器
-
2D2550M3
[雙極,DC15~48,2.5A] -
2D4050M3
[雙極,DC20~48,4A] -
2D3040M2
[單極,DC12~40,3A] -
2D4040S2
[單極,DC12~40,4A] -
2D4040M4
[單極,DC12~40,4A] -
2D7080M3
[雙極AC/DC18~80,7A] -
2D4080B2
[雙極,DC20~75,4A] -
2D4050MVC(速度)
[雙極,DC18~48,5A] -
2D6080M5A
[雙極AC/DC18~80,6A] -
2D6075M4
[雙極,DC24~75,6A] -
2D1540M2
[雙極,DC15~40V,1.5A] -
2D2040M1
[單極,DC18~40,2A]
-
2D2550M3
- ✚ 交流 驅動器
-
✚ 直流 驅動器
- ▌選配品-延長線
- ▌二相步進馬達+剎車
- ❖ 二相閉迴路-系列
- ❖ 二相通訊型-驅動器
- ❖All_In_One 二相步進
- ❖ 五相步進-系列
-
❖ 二相步進-系列
- 無刷馬達/驅動器
- DC伺服馬達/驅動器
- AC伺服馬達/驅動器
- 精密減速機
- 諧波減速機
- RV減速機
- 懸吊臂組件
- 滑台/電動微調台
- 電動缸
- 控制元件
- 傳動元件
- 應用實例
1 /
1
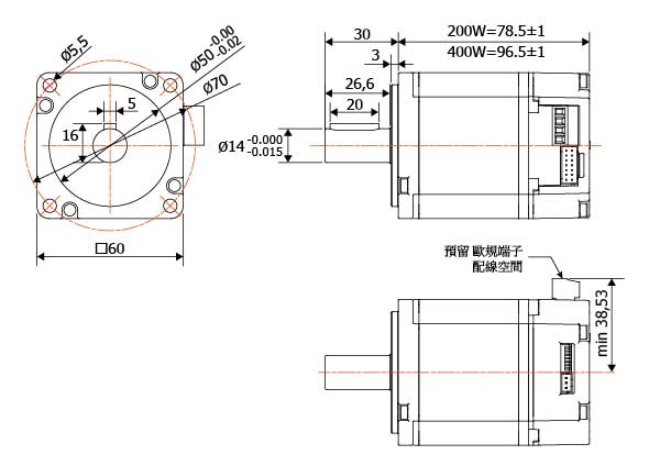
YZSVI_400W
-
快速說明
Description
-
尺寸/規格
Dim./Spec.
尺寸圖 Dimension

-
下載專區
Download

左右滑 動看表格

